A. Scope
This specification applies to Piezo buzzers,250125F-12008
B. Specifications

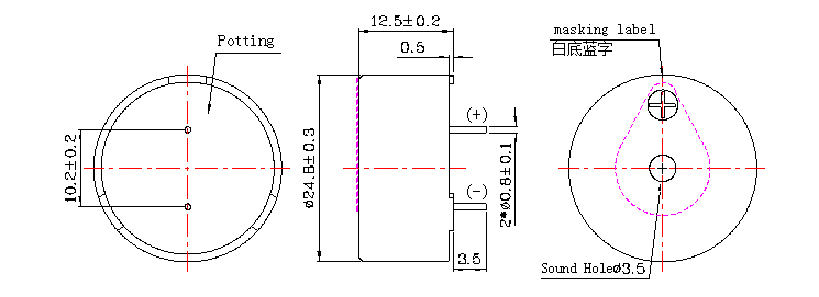
C. Exterior drawing

Tol: ±0.3 Unit: mm
D. Test method
Standard measuring condition
Temperature: 25±2℃ Humidity: 45-65% Acoustic characteristics:
Oscillation frequency, current consumption and sound pressure are measured by the instrument shown below
E. Typical frequency response curve
F. It is recommended that the drive circuit base current Ib should be high enough to saturate the collector current of the transistor under a CB load.
G. Welding conditions
H. Packaging standards