A. Scope: This specification applies to piezoelectric buzzer FDK-220110F-12045W80

B. Specifications:
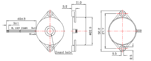
C. Appearance drawings:
ol: ±0.5 Unit: mm
D. Test method
Standard measuring condition
Temperature: 25±2℃ Humidity: 45-65%
Acoustic characteristics:
Oscillation frequency, current consumption and sound pressure are measured by the instrument

In the measurement test, the buzzer is placed as follows:
E. voltage/current/sound pressure characteristics
F. Reliability test:
Standard test conditions: a) Temperature: +5~+35℃b) Humidity: 45-85%c) Pressure: 860-1060mbar.Test conditions: a) Temperature: +25±2℃b) humidity: 60-70%c) Pressure: 860-1060mbar.
G. Packaging standard: Each packaged product unit shall be packed in a carton, and shall be clearly marked with the part number,
quantity and factory inspection number. There should be no mechanical damage to the product during transportation and/or storage.