A. Scope
This specification applies to Piezo buzzers,140035H-03027
B. Specifications

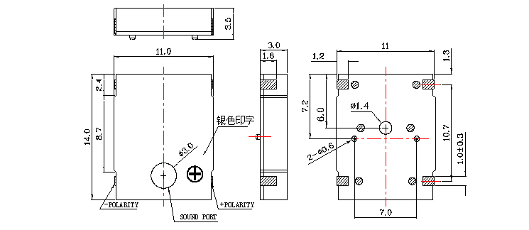
C. Exterior drawing

Tol: ±0.5 Unit: mm
D. Test method
Standard measuring condition
Temperature: 25±2℃ Humidity: 45-65%
Acoustic characteristics:
The oscillation frequency, current consumption and sound pressure are measured by the measuring instrument shown below.
In the measurement test, the buzzer is placed as follows:
E. Voltage/current/sound pressure characteristics
F. It is recommended that the drive circuit base current Ib should
be high enough to saturate the collector current of the transistor under a CB load.
G. Welding conditions
H. Packaging Standards